Купил Hobby 420

Re: Купил Hobby 420

Сообщение archibalddias » 13 янв 2020, 22:47

Юрий Удовенко писал(а):. Про проседание оси: посмотрите окно в раме. Если тормозной трос, проходящий через это окно в нижней трети и до половины высоты окна, то это нормально. если выше (в верхней половине окна) то стальные торсионы просели. Тогда вариантов 2: поменять левый и правый торсион местами или замена оси на резиножгут, т.к. единственный завод, который для Hobby производит торсионные оси находится в Словении, а оттуда Вы ось не привезёте.
С уважением, Юрий. Владелец двух Хоббиков. По другим пунктам можно поговорить отдельно

Вообщето инструкции от танков тракторов и даже легковых авто, ну например пежо405, ну в общем все у кого торсионная подвеска из тех кто попадался в мои руки - гласят что категорически запрещается менять торсионы местами, то есть менять направление их скручивания. В этом случае становится велика вероятность разрушения торсиона. Во всех известных мне подобных подвесках торсионы имеют шлицевую посадку в деталях и компенсация прослабления осуществляется переустановкой на один- два шлица. К сожалению хобби420 никогда не входил в круг моих интересов и по этому я не могу сказать точно как должно быть тут, но думаю что общий принцип о недопустимости изменения направления нагрузки скручивания распространяется и на эту подвеску. Ничего не утверждаю но рекомендую поискать уточняющую инфу прежде чем менять торсионы местами.
инь янь хрень пьянь
Аватара пользователя
archibalddias
 
Сообщения: 475
Зарегистрирован: 28 окт 2019, 17:48
Откуда: Moscow
Техника: Титан2.0
Имя: Михаил

Re: Купил Hobby 420

Сообщение Юрий Удовенко » 14 янв 2020, 11:23

archibalddias писал(а):
Юрий Удовенко писал(а):. Про проседание оси: посмотрите окно в раме. Если тормозной трос, проходящий через это окно в нижней трети и до половины высоты окна, то это нормально. если выше (в верхней половине окна) то стальные торсионы просели. Тогда вариантов 2: поменять левый и правый торсион местами или замена оси на резиножгут, т.к. единственный завод, который для Hobby производит торсионные оси находится в Словении, а оттуда Вы ось не привезёте.
С уважением, Юрий. Владелец двух Хоббиков. По другим пунктам можно поговорить отдельно

Вообще то инструкции от танков тракторов и даже легковых авто, ну например пежо405, ну в общем все у кого торсионная подвеска из тех кто попадался в мои руки - гласят что категорически запрещается менять торсионы местами, то есть менять направление их скручивания. В этом случае становится велика вероятность разрушения торсиона. Во всех известных мне подобных подвесках торсионы имеют шлицевую посадку в деталях и компенсация прослабления осуществляется переустановкой на один- два шлица. К сожалению хобби420 никогда не входил в круг моих интересов и по этому я не могу сказать точно как должно быть тут, но думаю что общий принцип о недопустимости изменения направления нагрузки скручивания распространяется и на эту подвеску. Ничего не утверждаю но рекомендую поискать уточняющую инфу прежде чем менять торсионы местами.

Так уже делал. Никаких шлицов в этой оси нет ( в отличии от автомобильных торсионов, о которых Вы говорите правильно). На автомобиле торсион можно подрегулировать, на прицепе нет. Это просто квадрат набранный из двух прямоугольных полос. Всё меняется местами и работает. А вот купить их отдельно, для замены, как мне кажется ещё никому не удалось (опять же в отличии от автомобильных торсионов). Если кому удалось, то пожалуйста сообщите место. Разговор не про самопал, а про оригинал ;)
Аватара пользователя
Юрий Удовенко
 
Сообщения: 461
Зарегистрирован: 14 май 2018, 21:16
Откуда: Санкт-Петербург
Техника: Pajero Sport III + Bailey Unicorn Pamplona
Имя: Юрий

Re: Купил Hobby 420

Сообщение archibalddias » 14 янв 2020, 13:27

Где-то натыкался на тему - всю балку относительно рамы проворачивают, тем и регулируют высоту подвески, причём как частный случай - ставят один сильфон и подвеска становится пневмо-торсионная. Само собой это не просто подрегулировка а полная переделка.
По поводу перестановки - два раза повезло это не показатель, оно и десять а то и сто раз повезёт. На танках вообще часто везёт, но инструкция почему то запрещает... кто их пишет эти инструкции?
инь янь хрень пьянь
Аватара пользователя
archibalddias
 
Сообщения: 475
Зарегистрирован: 28 окт 2019, 17:48
Откуда: Moscow
Техника: Титан2.0
Имя: Михаил

Re: Купил Hobby 420

Сообщение Гоша999 » 14 янв 2020, 23:13

Все верно, торсионы местами менять НЕЛЬЗЯ!
Гоша999
 
Сообщения: 149
Зарегистрирован: 22 июн 2016, 23:12
Техника: Tabbert Diadem 490
Имя: Игорь

Re: Купил Hobby 420

Сообщение Юрий Удовенко » 15 янв 2020, 23:01

Гоша999 писал(а):Все верно, торсионы местами менять НЕЛЬЗЯ!

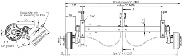
Абсолютно с Вами согласен, когда это касается автотранспорта. Там на торсионах выбиты буковки L и R. На торсионах оси KNOTT я не увидел ни на одном из них маркировки. Её там просто нет. Я разве что с микроскопом торсионы не разглядывал..... Они одинаковые. Я не думаю что на заводе эти торсионы лежат с просто приклеенными бумажками, и Словенский (оси торсионные Knott делают в Словении) Вася долго крутя торсион в руках думает куда же ему воткнуть этот торсион - налево или направо. На таких ответственных деталях всегда или есть маркировка или её нет. Значит получается всё равно. И опять же, согласно чертежу оси Knott DB-13, DB-16 и т.д. рабочий ход рычага всего 15 градусов. А теперь сравните рабочий ход автомобильного торсиона. Короче говоря. Никого не убеждаю. Торсионы менял. И ось жива. А вообще мы немного отклонились от темы этой ветки " Купил Hobby 420". Ещё раз хочу порадоваться за Ивана и поздравить его с покупкой :good:
Вложения
DB-13.jpg
DB-13.jpg (68.94 КБ) Просмотров: 1996
Аватара пользователя
Юрий Удовенко
 
Сообщения: 461
Зарегистрирован: 14 май 2018, 21:16
Откуда: Санкт-Петербург
Техника: Pajero Sport III + Bailey Unicorn Pamplona
Имя: Юрий

Re: Купил Hobby 420

Сообщение Иван26 » 17 янв 2020, 10:19

Спасибо братцы. Очень крутой форум :so_happy:
Иван26
 
Сообщения: 27
Зарегистрирован: 22 дек 2019, 19:34
Техника: Vito638
Нива пикап
Мото Хонда х4 и Кавасаки klx250
Имя: Иван

Re: Купил Hobby 420

Сообщение Иван26 » 17 янв 2020, 12:36

Пока разобрался с электрикой и ищу специалистов по всем газовым делам, думаю о покраске или перетяжке плёнкой. У кого есть фотки интересных проектов - кидайте)
Например...
Иван26
 
Сообщения: 27
Зарегистрирован: 22 дек 2019, 19:34
Техника: Vito638
Нива пикап
Мото Хонда х4 и Кавасаки klx250
Имя: Иван

Re: Купил Hobby 420

Сообщение Иван26 » 17 янв 2020, 12:40

...
Вложения
Screenshot_20200108-090214_Instagram.jpg
Screenshot_20200108-090214_Instagram.jpg (120.19 КБ) Просмотров: 1933
Screenshot_20200108-225434_Yandex.jpg
Screenshot_20200108-225434_Yandex.jpg (141.81 КБ) Просмотров: 1933
Screenshot_20200108-225640_Yandex.jpg
Screenshot_20200108-225640_Yandex.jpg (146.7 КБ) Просмотров: 1933
Screenshot_20200108-225947_Yandex.jpg
Screenshot_20200108-225947_Yandex.jpg (112.66 КБ) Просмотров: 1933
Иван26
 
Сообщения: 27
Зарегистрирован: 22 дек 2019, 19:34
Техника: Vito638
Нива пикап
Мото Хонда х4 и Кавасаки klx250
Имя: Иван

Re: Купил Hobby 420

Сообщение guttrv » 17 янв 2020, 12:42

А что не так с кузовом? Или просто хочется быть индивидуальным, как, например, Андрейка?
guttrv
 
Сообщения: 232
Зарегистрирован: 30 май 2018, 21:23
Откуда: Пенза
Техника: Avondale dart 370/2
Имя: Евгений

Re: Купил Hobby 420

Сообщение Иван26 » 17 янв 2020, 12:45

А вот мой)
Вложения
20200114_170937.jpg
20200114_170937.jpg (157.8 КБ) Просмотров: 1931
20200114_171932.jpg
20200114_171932.jpg (134.9 КБ) Просмотров: 1931
Иван26
 
Сообщения: 27
Зарегистрирован: 22 дек 2019, 19:34
Техника: Vito638
Нива пикап
Мото Хонда х4 и Кавасаки klx250
Имя: Иван

Re: Купил Hobby 420

Сообщение Иван26 » 17 янв 2020, 12:50

guttrv писал(а):А что не так с кузовом? Или просто хочется быть индивидуальным, как, например, Андрейка?


Ну повеселей хочеться)
Андрейка - это тот у кого Маша и Медведь на бортах?)
Иван26
 
Сообщения: 27
Зарегистрирован: 22 дек 2019, 19:34
Техника: Vito638
Нива пикап
Мото Хонда х4 и Кавасаки klx250
Имя: Иван

Re: Купил Hobby 420

Сообщение guttrv » 17 янв 2020, 13:14

Иван26 писал(а):
guttrv писал(а):А что не так с кузовом? Или просто хочется быть индивидуальным, как, например, Андрейка?


Ну повеселей хочеться)
Андрейка - это тот у кого Маша и Медведь на бортах?)

Он самый ;)
guttrv
 
Сообщения: 232
Зарегистрирован: 30 май 2018, 21:23
Откуда: Пенза
Техника: Avondale dart 370/2
Имя: Евгений

Пред.След.

Вернуться в Прицеп-дача

Кто сейчас на конференции

Сейчас этот форум просматривают: нет зарегистрированных пользователей и гости: 1

cron