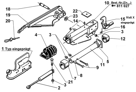
Всем привет! решил обслужить сцепную головку. Как понять надо ли менять фрикционы, не видя индикатор. Какова размерность шайб? у меня сейчас 0,5мм. какой следующий размер?
Вот мои.

zzTop писал(а):резинка упорная на сайте KNOTT стоит 500 руб



онд писал(а):Спасибо! А я когда после торможения трогаюсь, слышу удар сзади. Видимо это из-за отсутствия этой резинки. Параметры этой резинки знает кто? И еще задняя втулка сзади имеет выступ, эта резинка тоже должна по форме совпадать?

онд писал(а):Спасибо! А я когда после торможения трогаюсь, слышу удар сзади. Видимо это из-за отсутствия этой резинки. Параметры этой резинки знает кто? И еще задняя втулка сзади имеет выступ, эта резинка тоже должна по форме совпадать?

Вернуться в Подвеска, оси, рамы, колеса, тормоза
Сейчас этот форум просматривают: нет зарегистрированных пользователей и гости: 3