Добрался до ремонта своей Truma С3402. Наткнулся на познавательный забугорный форум по этой модели (
https://www.routard.com/forums/t/panne- ... 107?page=4). Несколько советов из того можно упростить, но в целом очень познавательно. В кемпере из-за стеснённых условий заниматься было невозможно, вытащил Труму в сборе, собрал кабель для пульта управления, подключил баллон через редуктор и запускал на улице (первый раз горелкой на улицу), ремонтировал на складе (на работе). Что было сделано:
1. Проверка всех переферийных элементов (термостаты, терморезисторы, эл. двигатели).
2. Ремонт платы управления - замена всех реле (подгоревшие контакты в силовых цепях), замена конденсаторов (на всякий случай), замена одного сопротивления (фото платы без реле).
3. Замена термостата (НЗ, 90 град. на водяной котёл) + изготовление новой прижимной пластины под него, замена термопасты под термостат и терморезистор водяного котла.
4. Замена электродов поджига и ионизации, в продаже таких нет, изготовление из подходящих по диаметру изолятора и длине электрода: перевернул и подточил по месту фланцы, выгнул электроды по штатному, купил высоковольтные провода, укоротил до требуемой длины (штатные свечи в сборе с кабелем).
5. Промыт и отремонтирован двухконтурный газовый клапан. В закрытом состоянии держал отлично, при срабатывании, начинал подтравливать через завальцованные фланцы крепления катушек (промыл спиртом открывая контуры клапана магнитом, пропаяны места запрессовки фланцев низкотемпературным припоем, флюс - ортофосфорная кислота). На фото пайка не выглядит идеальной, но в техническом плане всё отлично (перед пайкой снята фаска, припоем всё заполнено герметично). Было опасение перегреть и повредить О-ринг и контактную часть сердечника, но контролировал рукой, нагрев в критичном месте, был не более 90 градусов.
6. Подобраны и заменены все О-ринги (плоские родные прокладки в замене не нуждались).
Занимался около трёх недель (то запчасти ждал, то работа не позволяла отвлекаться), ощущение, что вник достаточно глубоко, будут вопросы по котлу, задавайте. По итогу котёл очень мягко стартует, работает гораздо более прогнозируемо.
Фото, лентой, для наглядности:

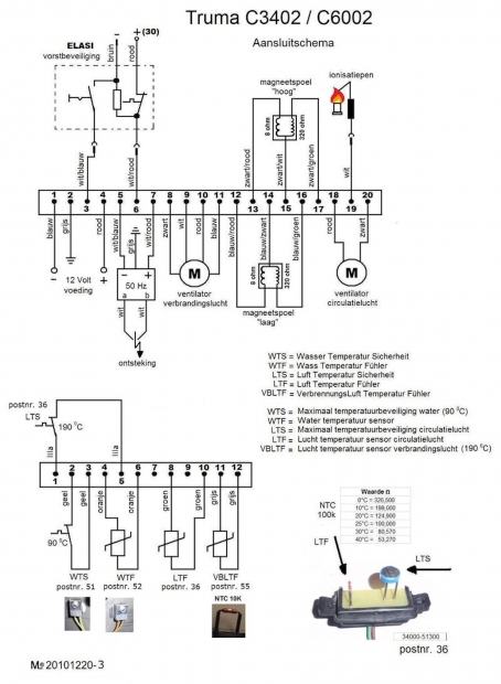
- Схема Трума.jpg (154.07 КБ) Просмотров: 2592

- WhatsApp Image 2025-06-26 at 10.21.37.jpeg (242.18 КБ) Просмотров: 2592

- Снимок2.JPG (96.69 КБ) Просмотров: 2592

- WhatsApp Image 2025-06-26 at 10.21.37 (2).jpeg (189.11 КБ) Просмотров: 2592

- Снимок.JPG (154.22 КБ) Просмотров: 2592

- Снимок1.JPG (138.21 КБ) Просмотров: 2592

- WhatsApp Image 2025-06-26 at 10.21.37 (1).jpeg (198.6 КБ) Просмотров: 2592

- WhatsApp Image 2025-06-26 at 10.21.36.jpeg (201.36 КБ) Просмотров: 2592