den!s писал(а):диоды производители ставят в электроблоки
Там еще транзисторы, резисторы, конденсаторы, микросхемы и.....реле

den!s писал(а):диоды производители ставят в электроблоки


Artemka писал(а):den!s писал(а):диоды производители ставят в электроблоки
Там еще транзисторы, резисторы, конденсаторы, микросхемы и.....реле
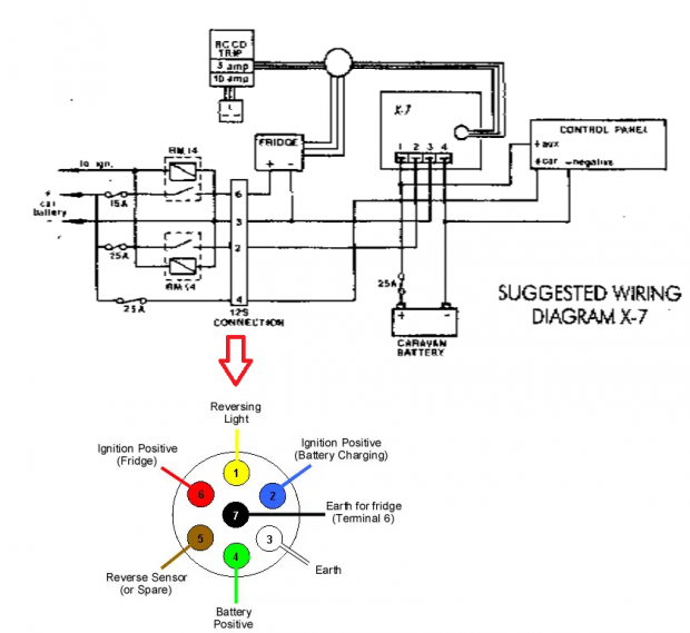
Artemka писал(а):Вопрос к инженеру АСУ..
Почему производители автомобилей ставят реле, а не диоды?
Как диод отсчитывает время в 49-50 минут?
Как преобразователь 12 на 14 Вольт отвязывает акб каравана от бортсети авто?
vashbezopastnost писал(а):Время - элементарно. Запускаем мотор, едем 40 минут и на удобной стоянке притормаживаем и включаем заряд аккумулятора каравана. Можно поставить таймер, и ещё кучу разных электронных блоков и превратить заурядный караван в орбитальную станцию....
У меня НПО "Энергия" в 200-х метрах от дома... Ну вот выехал я из Королева, через 40 минут я в глухой пробке... Можно через 2 часа? Или 3?
Artemka писал(а):У меня НПО "Энергия" в 200-х метрах от дома... Ну вот выехал я из Королева, через 40 минут я в глухой пробке... Можно через 2 часа? Или 3?



Kinstintin писал(а):Можно!![]()
PS. Походу НПО Энергия даёт наводку на мозг

Artemka писал(а):Kinstintin писал(а):Можно!![]()
PS. Походу НПО Энергия даёт наводку на мозг
Ну если можно, то я спокоен. Наводка от НПО действует положительно, поскольку там работают талантливые люди.
Больше не буду мешать строить электрощитовые в караванах- стройте. У меня все работает штатно, как задумал производитель и я доволен. Оно само работает без моего участия.
Сейчас этот форум просматривают: нет зарегистрированных пользователей и гости: 3